Welding machine robot, spraying robot, stamping robot, handling robot, six-axis general purpose robot, robot appearance compact, lightweight design, all joints are installed high-precision reducer, faster speed. J1 J2 J3 J4J6 shaft reducer and servo motor are directly connected to drive, remove the middle transmission part, higher accuracy and more durable, minimize the risk of oil leakage, lower noise, and reduce the occurrence of faults. The powerful wrist load capacity can easily complete the tasks of handling, palletizing, loading and unloading, welding and so on. Product features:
01 High speed and high precision
02 Stable performance
03 lightweight design beautiful appearance
04 Simple operation, graphical interface easy to learn and use
05 Lower energy consumption, 30% power saving than the same level models
Technical Data
| Promotion Industry | Welding, stamping, machine loading and unloading, spraying, grinding, palletizing, die casting, dispensing, electroplating and other industry automation integrator |
| Product Name | BK6-1300 |
| Product Alias | Six-axis universal robot |
| Brand | Baikeopto |
| Main Fittings | Motor: Japan Tamagawa 23-bit optical braided high-performance motor Reducer: Pegasus RV reducer (Italian joint venture brand) Ford harmonic reducer Drive: German brand multi-axis drive Controller: Nabot controller/Customer optional other systems |
| Total Supply | 1000 sets |
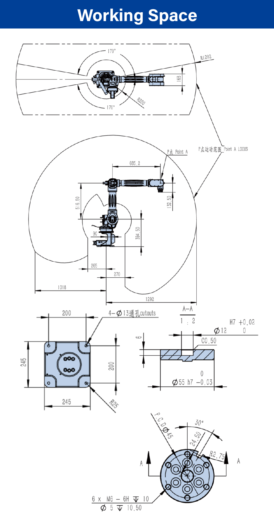
| Stats | Maximum Load: 6kg Working radius: 1292mm |
_6.jpeg?w=960&h=1707)
.jpeg?w=960&h=2403)
_6.jpeg?w=960&h=1152)
_6.jpeg?w=960&h=1707)
_6.jpeg?w=960&h=1856)
.jpeg?w=960&h=3397)
.jpeg?w=960&h=2103)
_6.jpeg?w=960&h=960)
.jpeg?w=960&h=1738)
_6.jpeg?w=960&h=1707)