Welding machine robot, robot appearance compact, lightweight design, all joints are installed with high precision reducer, faster speed. J1 J2 J3 J6 shaft reducer and servo motor are directly connected to drive, remove the middle transmission part, higher accuracy and more durable, minimize the risk of oil leakage, lower noise, and reduce the occurrence of failures. Strong wrist load capacity can easily complete spot welding, arc welding, special welding and other tasks. Product features:
01 High speed and high precision
02 Stable performance
03 lightweight design beautiful appearance
04 Simple operation, graphical interface easy to learn and use
05 Lower energy consumption, 30% power saving than the same level models
Technical Data
| Promotion Industry | Welding industry automation integrator |
| Product Name | BKH10-1600 |
| Product Alias | Welding robot |
| Brand | Baikeopto |
| Main Fittings | Motor: Japan Tamagawa 23-bit optical braided high-performance motor Reducer: Pegasus RV reducer (Italian joint venture brand) Ford harmonic reducer Drive: German brand multi-axis drive Controller: Nabot controller/Customer optional other systems Welding machine: Mejanic/customers can choose other welding machines |
| Total Supply | 1000 sets |
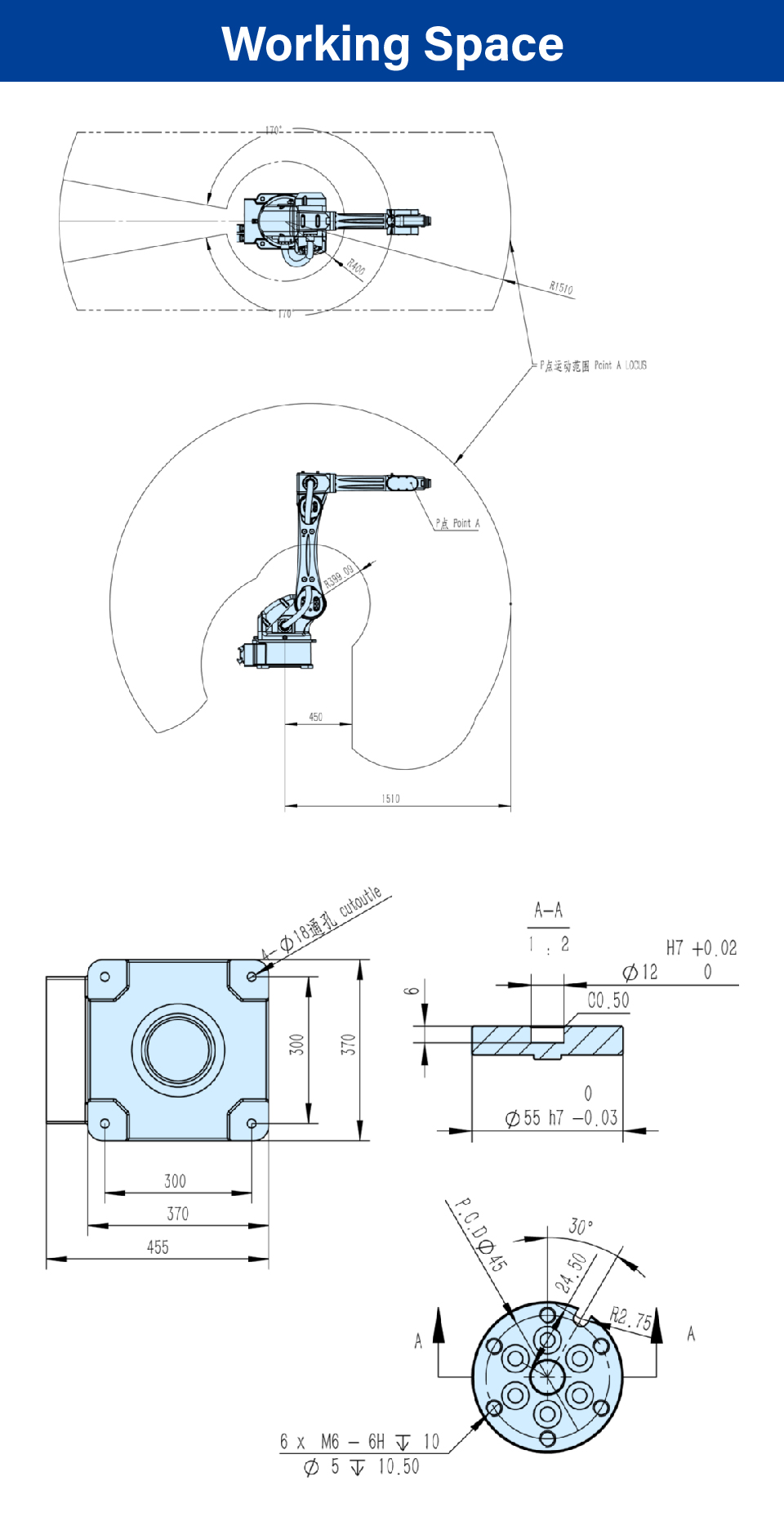
| Stats | Maximum Load: 10kg Working radius: 1510mm |
_11.jpeg?w=960&h=1215)
_11.jpeg?w=960&h=1707)
_11.jpeg?w=960&h=1878)
_11.jpeg?w=960&h=3397)
_11.jpeg?w=960&h=2103)
_11.jpeg?w=960&h=960)
_11.jpeg?w=960&h=1738)
_11.jpeg?w=960&h=1707)
_11.jpeg?w=960&h=1707)
_11.jpeg?w=960&h=2403)